

Vòng bi tang trống hay còn gọi là bạc đạn tang trống tự lựa mà các viên bi có hình tang trống. Đây là loại vòng bi được sản xuất với nhiều kích thước khác nhau và được sản xuất với lỗ trụ và lỗ côn, độ côn 1:12 hoặc 1:30. Vòng bi lỗ thẳng được lắp vào trục hình thẳng, vòng bi lỗ côn thì lắp vào trục côn hoặc lắp vào trục thẳng thông qua ống lót côn.

Loại vòng bi này có hai dãy con lăn, vòng trong có 2 rãnh lăn, vòng ngoài là bề mặt tang trống. Bề mặt con lăn tang trống tự lựa trên bề mặt của vòng ngoài. Do đó loại vòng bi này cho phép tự lựa, trục nghiêng một góc nhất định trong giới hạn cho phép.
Với thiết kế riêng biệt nên không có bất kỳ loại vòng bi nào có thể so sánh hay thay thế được vòng bi tang trống tự lựa này. Điều đặc biệt của vòng bi này là có khả năng tự lựa nên hiện tượng trục bị võng hoặc cong sẽ không xảy ra.
Vòng bi tang trống có tên gọi tiếng anh là Spherical roller bearing, hay còn được gọi là bạc đạn chặn trục tự lựa hoặc vòng bi cana. Chúng có ký hiệu quốc tế gồm năm chữ số chính và thường bắt đầu bằng số 2.
Cụ thể:
– Vòng bi tang trống SKF 21313E
– Vòng bi tang trống SKF 21305 CC, 22205 E, 22205 EK….
Đây là những ký hiệu cơ bản giúp bạn phân biệt được các loại vòng bi khác trên thị trường.
Trong các điều kiện môi trường làm việc có độ nhiễm bẩn cao, vòng bi tang trống thường có tuổi thọ cao hơn nhiều lần so với các sản phẩm khác trên thị trường. Quý khách có thể tham khảo bảng tra thông số vòng bi sau đây để lựa chọn đúng sản phẩm phù hợp với thiết bị.
Bảng thông số bạc đạn tang trống
| Ký hiệu SKF | d[mm] | D[mm] | B[mm] |
| 22205/20 E | 20 | 52 | 18 |
| 21305 CC | 25 | 62 | 17 |
| 22205 E | 25 | 52 | 18 |
| 22205 EK | 25 | 52 | 18 |
| 21306 CC | 30 | 72 | 19 |
| 22206 E | 30 | 62 | 20 |
| 22206 EK | 30 | 62 | 20 |
| 21307 CC | 35 | 80 | 21 |
| 22207 E | 35 | 72 | 23 |
| 22207 EK | 35 | 72 | 23 |
| 21308 E | 40 | 90 | 23 |
| 21308 EK | 40 | 90 | 23 |
| 22208 E | 40 | 80 | 23 |
| 22208 EK | 40 | 80 | 23 |
| 22308 E | 40 | 90 | 33 |
| 22308 EK | 40 | 90 | 33 |
| 21309 E | 45 | 100 | 25 |
| 21309 EK | 45 | 100 | 25 |
| 22209 E | 45 | 85 | 23 |
| 22209 EK | 45 | 85 | 23 |
| 22309 E | 45 | 100 | 36 |
| 22309 EK | 45 | 100 | 36 |
| 21310 E | 50 | 110 | 27 |
| 21310 EK | 50 | 110 | 27 |
| 22210 E | 50 | 90 | 23 |
| 22210 EK | 50 | 90 | 23 |
| 22310 E | 50 | 110 | 40 |
| 22310 EK | 50 | 110 | 40 |
| 21311 E | 55 | 120 | 29 |
| 21311 EK | 55 | 120 | 29 |
| 22211 E | 55 | 100 | 25 |
| 22211 EK | 55 | 100 | 25 |
| 22311 E | 55 | 120 | 43 |
| 22311 EK | 55 | 120 | 43 |
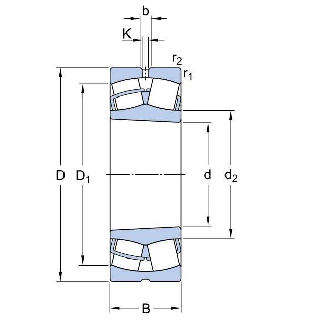
Vòng bi tang trống tự lựa có cấu tạo gồm có mặt lăn hình cầu ở cả vòng trên và vòng dưới. Còn lại có nhiều con lăn dạng tang trống – Đây là đặc điểm mà bạn cần chú ý để phân biệt vòng bi tang trống tự lựa và vòng bi côn, do có kiểu dáng bên ngoài khá giống nhau.
![]()
Những con lăn của bạc đạn tang trống này không đối xứng nhau và được lắp với rãnh nghiêng một góc 45 độ. Vòng cách thường được sử dụng là đồng gia công nguyên khối hoặc thép dập, đúc từ polyamit.
Mặt khác, nhờ vào cấu tạo như trên mà vòng bi tang trống SKF có khả năng chịu tải hướng kính rất lớn. Đồng thời bạc đạn còn có thể chịu được tải hướng trục trên cả hai hướng.
Ngoài ra, vòng bi tang trống tự lựa có thêm khả năng tự lựa tốt. Vì vậy chúng là sự lựa chọn thường xuyên của các ứng dụng có tải trọng cực cao trong các thiết bị lớn.
Vòng bi SKF thế hệ Explorer là một trong những nỗ lực liên tục của SKF trong việc cải tiến nâng cao chất lượng của mình. Đó là một loạt các cải tiến và nâng cao như:
Lợi ích Vòng bi tang trống thế hệ Explorer SKF mang lại:
Newmain có:
– Một đội ngũ nhân viên bán hàng và hỗ trợ kỹ thuật giàu kinh nghiệm. Họ là những người đã hoạt động lâu năm trong lĩnh vực phân phối và dịch vụ kỹ thuật.
– Chúng tôi cam kết mang đến cho khách hàng những sản phẩm chính hãng và dịch vụ cũng như giá thành tốt nhất.
– Định hướng hoạt động của chúng tôi luôn luôn là “Hàng chính hãng – Dịch vụ tin cậy”, mong muốn sẽ là người bạn đồng hành thân thiết của Quý khách hàng.