

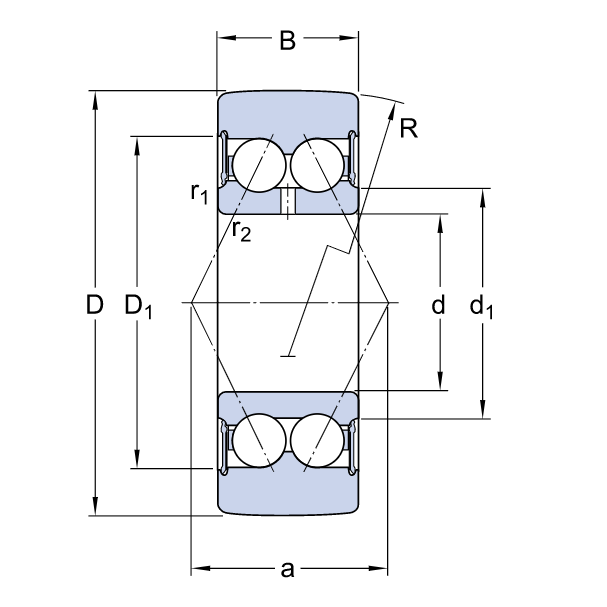
Vòng bi cầu hai dãy (Self-aligning ball bearing) hay còn gọi là vòng bi cầu tự lựa có hai dãy bi cầu, vòng trong có hai mặt lăn và vòng ngoài một mặt lăn hình cầu với tâm mặt cầu trùng với trục của ổ. Do đó, trục của vòng trong bi và vòng cách có thể xoay quanh tâm này mà không gây ra ứng lực phụ tải nào.
Vòng bi cầu hai dãy (Self-aligning ball bearing) hay còn gọi là vòng bi cầu tự lựa có hai dãy bi cầu, vòng trong có hai mặt lăn và vòng ngoài một mặt lăn hình cầu với tâm mặt cầu trùng với trục của ổ.
Do đó, trục của vòng trong bi và vòng cách có thể xoay quanh tâm này mà không gây ra ứng lực phụ tải nào.

Vòng bi cầu 2 dãy có cấu tạo gồm hai dãy viên bi được đặt trong các rãnh lăn hình cầu trên vòng trong và vòng ngoài của vòng bi. Cấu trúc này giúp vòng bi có khả năng hoạt động hiệu quả trong cả hai hướng tải (hướng trục và hướng kính) với độ chính xác và độ cứng vững cao.
Vòng bi cầu 2 dãy được sử dụng rộng rãi trong nhiều ngành công nghiệp khác nhau nhờ vào tính linh hoạt và hiệu suất cao:

Công ty Cổ phần Newmain tự hào cung cấp các dòng vòng bi chất lượng cao, trong đó có vòng bi cầu 2 dãy, với các tiêu chuẩn chất lượng nghiêm ngặt, đáp ứng mọi yêu cầu khắt khe của khách hàng: